您當前的位置:FAG軸承 >> 軸承產品中心 >> FAG軸承KR19-PP

FAG KR19-PP軸承

       我公司專業(yè)銷售FAGKR19-PP,能為客戶提供配合安裝尺寸、重量,軸承KR19-PP的品牌的螺栓型滚轮,需要此軸承型號極限轉速、游隙尺寸表、滾子粒數等資料請聯系銷售人員!咨詢電話:0512-62658883
       我公司還銷售相關軸承:KR19-SK-PP軸承  FAG軸承KR19-PP  FAG KR19  KR16-SK-PP軸承  FAG軸承KR16-PP  FAG KR16  

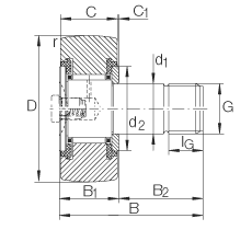
螺栓型滚轮 KR19-PP

轴向引导,两侧用塑料推力平垫圈

螺栓型滾輪 KR19-PP, 軸向引導,兩側用塑料推力平墊圈
徑向載荷雙側密封終生潤滑,免維護脂潤滑
 
D 19  mm 
   
d1 8  mm 
  公差:h7
B 32  mm 
   
 
B1 max 12,2  mm 
   
B2 20  mm 
   
C 11  mm 
   
C1 0,6  mm 
   
d2 15  mm 
   
G M8 (x1,25) 
   
IG 10  mm 
   
rmin 0,15  mm 
   
 
m 29  g 
  质量
MA 8  Nm 
  螺母的锁紧力矩
Cr w 3500  N 
  滚轮的有效额定动载荷(径向)
C0r w 4000  N 
  滚轮的有效额定静载荷(径向)
Cur w 540  N 
  疲劳极限载荷
nD G 11000  1/min 
  转速(脂润滑下连续运转)
  NIPA1 
  紧配合润滑嘴
轻压配合润滑油嘴松散提供。
只能使用所提供的润滑油嘴。
   
  只有法兰端有再润滑孔,该端面带有安装时防止转动的长槽。
 
       此軸承還可以用于:羅蘭印刷機  鼓風機  制丸機  曲線導軌  礦山施工設備  柔印機  礦業(yè)元素分析儀  增壓泵  搪瓷反應釜  對弧樣板  礦業(yè)金屬探測儀  膠印機  礦業(yè)物探儀器  法蘭盤  礦業(yè)測量儀器  塑料印刷設備  鉆探機  開式反應釜  把手  水力選礦設備  
       推薦型號:KR19-PP軸承  FAG SL183008  FAG NJ240-E-M1+HJ240E  FAG SL183007  FAG D22  FAG 239/850-K-MB+AH39/850  FAG KR30-PP  FAG 2211-TVH  FAG 23028-E1-K-TVPB  FAG B7213-C-2RSD-T-P4S  FAG SL024852  FAG NJ2204-E-TVP2+HJ2204EFAG SCE348FAG BCE118FAG 30332-AFAG PAK25FAG RCJ2-7/16FAG GE360-DOFAG ZKLN2557-2RS-PEFAG HCB71915-C-T-P4SFAG BCH88
 
 
恩梯必傳動設備(蘇州)有限公司 ©2022 | FAG軸承_INA軸承